Refinement of Adaptive Dynamical Simulation of Quantum Mechanical Double Slit Interference Phenomenon

Abstract

We applied adaptive dynamics to double slit interference phenomenon using particle model and obtained partial successful results in our previous report. The patterns qualitatively corresponded well with experiments. Several properties such as concave single slit pattern and large influence of slight displacement of the emission position were different from the experimental results. In this study we tried other slit conditions and obtained consistent patterns with experiments. We do not claim that the adaptive dynamics is the principle of quantum mechanics, but the present results support the probability of adaptive dynamics as the candidate of the basis of quantum mechanics. We discuss the advantages of the adaptive dynamical view for foundations of quantum mechanics.

Share and Cite:

Ando, T. , Khrennikov, A. and Yamato, I. (2024) Refinement of Adaptive Dynamical Simulation of Quantum Mechanical Double Slit Interference Phenomenon. Journal of Modern Physics, 15, 239-249. doi: 10.4236/jmp.2024.153012.

1. Introduction

Adaptive dynamics was proposed by Ohya [1] to analyze quantum-like interference phenomena generally applicable to various systems from biological to macro- and microscopic world. These interference phenomena have been envisaged as the effect of entanglement of the interactions between environment and composite members [2] . Any systems having more than two interactions at a time on at least one component can be universally formulated as quantum-like by adaptive dynamics considering every interaction in the environment.

In our previous report [3] , we applied this adaptive dynamical view with particle model to a typical quantum mechanical phenomenon of double slit interference of photon or electron. There have been many papers for classical probabilistic modeling of quantum phenomena, such as an article [4] , and specifically many reports of numerical simulation of quantum and quantum-like phenomena within the classical mechanical framework [5] [6] [7] . Among them, Pascasio et al. performed a classical simulation of a two-slit situation [8] [9] [10] . And our report was the first trial of such simulation by incorporating explicitly the environmental effect according to the adaptive dynamics.

Our trial [3] was successful qualitatively but gave somehow different results from the experimental data [11] in several points: Single slit diffraction pattern was uniform/slightly concave and slight displacement of the emission position dramatically changed the pattern.

In this study, first we compared the obtained patterns for various slit conditions with the corresponding light wave interference patterns. They are qualitatively corresponding well, indicating that the pattern is primarily determined by the slit condition (slit width and spacing) in both cases. In addition, apparent pattern seems to be secondarily determined by the light wavelength and in case of simulation by time step with appropriate interaction strength. Second, we examined the patterns by taking the slit wall thickness into account. This gave consistent single slit convex patterns with additional information about the influence of emission position displacement. Based on our successful results, we discuss the advantages of adaptive dynamics as the principle of quantum mechanics:

Everything in this world is under the interaction network with its environment producing the entanglement and quantum-like behavior.

2. Methods

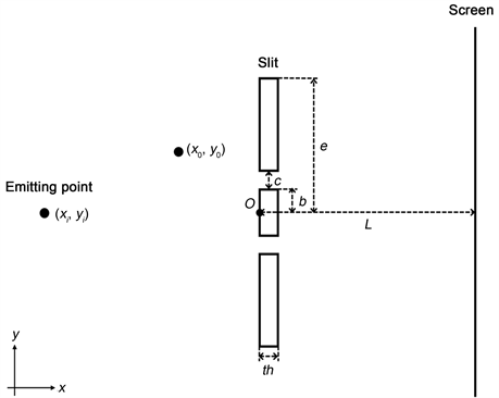
Methods and simulation conditions are shown in Figure 1, similar as previously reported [3] ; slit wall thickness was zero at the previous report but here we considered the thickness (th) explicitly. Accordingly the potential of the wall exerted on the particle was calculated as follow:

U ( x 0 , y 0 ) = e e 0 t h 1 ( x x 0 ) 2 + ( y y 0 ) 2 d x d y b b + c 0 t h 1 ( x x 0 ) 2 + ( y y 0 ) 2 d x d y b c b 0 t h 1 ( x x 0 ) 2 + ( y y 0 ) 2 d x d y (1)

In this study, we used only parallel particle emission. We chose one of the previous slit conditions; slit width of 0.1, slit spacing of 0.6, time step of 0.3,

Figure 1. x-axis shows the emitted direction of a particle. At x = 0, a slit wall is placed perpendicular to the x-axis, showing the y-axis. The slit spacing, width, and wall length are “2b”, “c”, and “2e”, respectively. The thickness of the slit wall is “th”. The distance dependent part of the potential exerted by the slit system with the particle position (x0, y0) is U(x0, y0).

emission position of −12, screen position of 125 or 50, slit wall length of 2000, and emission number of particles of 20,000,000 or sometimes 2,000,000. Distribution of the arrived particles on screen was calculated from 80 samples obtained with bin 0.5. The particle velocity was kept 1 as previous.

3. Results

3.1. Comparison of the Simulated Patterns with Corresponding Light Wave Interference Patterns

In previous report we showed several double slit patterns with various slit conditions [3] . Figure 2 shows the comparison of such patterns with the light wave interference patterns of corresponding slit conditions.

They are qualitatively similar. It seems that the pattern is determined primarily depending on the slit width and spacing. And secondarily light wavelength plays a major role for the pattern. Correspondingly, in simulation, certain range of time steps are allowed for which optimal interaction strengths are permitted rather strictly.

There is no sense in comparing any numbers from our dimension-less artificial toy-model simulation with the experimental data, but the numbers seem corresponding each other (Figure 2). Time step 0.3 may correspond to wavelength 0.15.

Figure 2. Comparison of the simulated interference patterns using zero slit thickness with the corresponding theoretically calculated patterns. For each condition, two panels are shown. Left panels (a), (c), and (e) show the simulated patterns and right panels (b), (d), and (f) show the theoretical patterns, which are calculated according to the optics text [11] as described at the legend for Figure 2(e) in the previous report [3] . (a) Slit width 0.1 (c), slit spacing 0.6 (2b), length of the slit wall 2000 (2e), initial velocity 1 (vxi) in x direction, time step 0.3 (dt), emission position xi = −12 (−40 × dt), interaction strength 0.14498 (ratio), screen position 100 (L), number of emitted particles 2,000,000. On screen, 80 samples were counted with the sampling bin width 0.5. The number of the arrived particles at each position on the screen divided by the total number arrived (18,442) was plotted as the probability. (b) The theoretically calculated pattern of the double slit interference based on the light wave description with the wavelength 0.15. The y position was calculated via 𝑦 = 15tan𝜃. Other conditions are the same as described for the panel (a). Relative intensity was plotted. (c) Slit width 1, slit spacing 6, time step 3, emission position −120, interaction strength 1.385, screen position 220, bin width 2, and total number of particles arrived 53,810, respectively. (d) The theoretically calculated pattern with the wavelength 1. (e) Slit width 0.04, slit spacing 0.06, time step 0.04, interaction strength 0.0208, particle emission position −4, screen position 24, bin width 0.1, and total number of particles arrived at the screen 556,605. (f) The theoretically calculated pattern with the wavelength 0.03.

3.2. Using Slit Wall with Certain Thickness

We changed slit wall thickness (Figure 1).

First, we examined the correlation of the patterns of thin slit wall condition (th = 0.01) with the previous results. Figure 3 shows the comparison; Figure 3(a), this study with the interaction strength, 14.212. It is similar to the previous result (see Figure 2(a)). Furthermore, the single slit pattern was not concave but rather flat (Figure 3(b)). Slight displacement effect of emission xi position was similarly observed (Figure 3(c)).

Second, we examined the patterns for various slit conditions with incorporating random emission in x direction within one time step length (xi = −40 × dt + dt × (random number − 0.5)) (Figure 4 and Figure 5). We examined the thicknesses (th) 0.3, 0.6, 0.9, 1.2, and 1.5. Figure 4 shows the patterns for thickness 0.6. Figure 4(a) shows the double slit interference pattern and Figure 4(b) the convex single slit pattern, similar as the experimental observations. Figure 4(c) shows the pattern by keeping double slit environment and counting particles passed through either one of the two slits, which indicates the adaptive dynamical nature of the interference pattern in Figure 4(a) as described previously [3] . Then we used fixed emission xi positions to examine the effect of slight displacement. We obtained no particle arrived at the screen with displacement 0, 0.015, or 0.06 but we could identify a position giving interference pattern at −11.886 (= −12 + 0.114) (Figure 4(d)). Furthermore, single slit with fixed emission position produced concave pattern at displacement 0 (Figure 4(e)) but no particle arrived at 0.015. These results suggest that several emission positions in x direction produced the interference patterns with allowing no passage from most other positions.

Figure 5 shows the patterns for the thickness 0.9 (Figure 5(a) and Figure 5(b)) and additionally for the time step 0.2 with the thickness 0.4 (Figure 5(c) and Figure 5(d)). Left panels (Figure 5(a) and Figure 5(c)) show double slit patterns consistent with the previous interference patterns. Right panels (Figure 5(b) and Figure 5(d)) show the corresponding single slit patterns; they were flat or convex different from the previous patterns [3] .

We could not obtain expected interference pattern for thicknesses 0.3 or more

Figure 3. Interference patterns using a thin slit wall of 0.01. (a) Same slit condition as for Figure 2(a) (zero slit wall thickness) with the thin slit wall of 0.01. The interaction strength was 14.212. Screen position was at 125. Total number of arrived particles was 17,754 with emitted particles 2,000,000. (b) Single slit pattern with emitted particles 4,000,000. Total number of arrived particles was 50,397. (c) Slight emission position displacement effect from −12 to −11.985. Total number of arrived particles was 16,361.

Figure 4. Interference patterns using a thick slit wall. (a) Thickness was 0.6 (two times of time step). The interaction strength was 0.342. Screen position was at 50. Total number of arrived particles was 9974 with emitted particles 20,000,000. (b) Single slit pattern with emitted particles 40,000,000 and arrived particles 420,721. (c) Pattern by keeping double slit environment and counting particles passed through either one of the two slits. The arrived particles were 4997. (d) Double slit pattern with fixed emission position −11,886. The arrived particle number was 87,563. (e) Single slit pattern with fixed emission position −12. The arrived particles were 595,164.

than 1.2; we may not have searched fully appropriate conditions for simulation. Or there is another possibility that the interference patterns are allowed only through slit walls of limited range of thicknesses.

4. Discussion

This study showed further that our adaptive dynamical simulation represents well the experimental interference in double slit situation of quantum mechanics. This success does not necessarily prove that the quantum mechanics is based on such interaction network of particles with its environment. But we think the probability as the candidate of the principle of the quantum mechanics increased. By admitting this possibility, we raised several advantages of the adaptive dynamical view over classical quantum mechanics in the next section.

Figure 5. Double and single slit interference patterns for other slit conditions. ((a), (b)) Slit wall thickness 0.9 was used; interaction strength was 0.27185. (a) Double slit with arrived particles 10,872 and emitted particles 40,000,000. (b) Single slit with arrived particles 209,084. ((c), (d)) Thickness 0.4 was used with time step 0.2 and the center of the emission position −10 (5 times of time step); interaction strength was 0.3485. (c) Double slit with arrived particles 76,645. (d) Single slit with arrived particles 1,989,148.

Slit wall thickness was critical. In experiments certain thick slit walls must have been used. We obtained uniform/slightly concave patterns for single slits without thickness as shown in previous report [3] . Further, slight displacements of the emission position in x direction changed the double slit interference patterns [3] . It would be interesting to examine experimentally the single and double slit patterns with very thin wall and strictly fixed emission position; considering the corresponding numbers shown in Figure 2, the thickness of such thin wall can be suggested to be less than one wavelength.

The allowable slit thickness to obtain interference patterns may be limited within certain range; a few wavelengths, considering the corresponding numbers in Figure 2. And similarly as above, it would be interesting to use strictly fixed emission position to check the displacement effect on the patterns. If these experimental trials bring about expected results, it may reinforce the importance of environment for the quantum mechanical interference in favor of the adaptive dynamical view and rather against the classical quantum mechanics proposing the duality, “particle/wave at a same time”.

By the present study, we hope our simulation set-up can be admitted as a powerful research and educational tools for quantum mechanics. It may contribute to the researches on optics and quantum mechanics. For example, much thinner slit wall can be tried whether it produces any interesting phenomena. By such new trials, we may be able to obtain information and knowledge about the interactions of photon or electron with various environmental materials, which should contribute further development of science.

5. Advantages of Adaptive Dynamical View over Classical Quantum Mechanics

There have been many kinds of debates about the apparent strange prediction/interpretation of quantum mechanics. Its principle can be totally different from our proposal based on the adaptive dynamics model, but it is also possible to be the same. If we admit this possibility, several facets may become clear as follows. Below is the expansion of parts in discussion section of the previous report [3] .

As a reference, we describe our adaptive dynamical view briefly. Consider a system having more than two interactions at a time on at least one member. Members are influenced by the interactions from whole environment. They are envisaged to be at entangled state of such whole influence, bringing about quantum-like behavior [1] [2] [3] [12] . This is just apparent behavior caused by the environmental influence; the member itself does not have such property showing quantum-like behavior. For our present double slit situation, we modeled that a particle interacts with slit wall via interacting particles in digitized manner, producing typical interference patterns in quantum mechanics.

First is the duality, “wave and particle at the same time”, symbolically represented for the double slit problem, which can be easily understood when based on our adaptive dynamical view. Without observation a particle locates non-locally under the whole influence from environment and apparently its behavior is quantum-like or wave-like. However, the particle itself is always a concrete local existence. This suggests that there would be no superposed or entangled state of existence itself as has been envisaged by various previous interpretations of quantum mechanics. We repeat here the part discussed in our previous report with some modification [3] : In this respect, our proposal of quantum mechanics based on the adaptive dynamics apparently disagrees with many reports on double slit problem to show the duality, especially considering “which- path” experiments [13] . Our simulation results corresponding to such experiments in previous report [3] were apparently contradictory to many reports so far proposed by interpreting such experimental observations; our results indicated its adaptive dynamical nature different from the classical quantum mechanics. This means; on one hand our simulation set-up does not represent the quantum mechanical situation and the principle of quantum mechanics can be totally different from that of adaptive dynamics, but on the other hand those experimental conditions in “which-path” experiments should be reexamined carefully in view of the adaptive dynamics because the two conditions for the double slit and “which-path” experiments are necessarily different even though the difference may be very minute. If such difference can be explicitly incorporated into our adaptive dynamical simulation set-up, we hope that the “delayed-eraser” phenomenon proposed as the proof for classical quantum mechanics, wave/particle duality, can also be reproduced.

In addition, the random walk as postulated in the previous study when using point emission particles can be the results of vacuum energy fluctuation as Nagasawa postulated [14] . But rather it can be derived from the interactions between all the particles with any interaction particles mediating respective interactions such as photons and gravitons: Our universe is full of cosmic background radiation and gravitational field. They can give rise to random walk behavior of a particle. Then the proposed adaptive dynamics of a particle interacting with its environment as postulated in our study is easily understood more generally without considering vacuum energy fluctuation; instead we can consider that the stochastic process of a particle itself can be the results of the digitized interactions with all the composite particles in our universe, the whole environment.

The second fundamental issue that can be clarified by appealing to the adaptive approach is the apparent contradiction between the special relativity theory and quantum mechanics. Sometimes the violation of the Bell inequality as a sign that information runs faster than the speed of light and the instantaneous information transfer is possible. Those who rightly reject this viewpoint, i.e., don’t identify Bell’s nonlocality with superluminal information transfer, and speak about superluminal influences, spooky action at a distance (in Einstein’s terminology). However, such superluminal influences are mystical by their nature. It is not so natural to base the quantum information theory that recently found numerous technological applications on spooky action (see [15] for discussion). In the adaptive dynamics approach, the information in the quantum theory is derived from the stochastic or probabilistic nature. Thus, when at one place Alice may see + signal, then she can understand by the probability conservation law that Bob should have seen −. But she cannot know whether Bob really got – signal, because there is no way to know it from the place far distant.

Third, we can speculate that our universe does not have infinite number of particles, but just finite although it could be very large. Therefore, we can speculate that the interaction cannot be completely symmetrical or random, thus symmetry breaking should be observed everywhere even though its extent would be very small. This suggests that there should be no completely correct information transfer by the quantum information theory. Rather we cannot inevitably escape from certain percentage of errors, even if it is very low.

Einstein’s claim that God does not use dice and Buddha’s proposal that everything is interconnected by “causation” [12] should be both correct, which produce nature’s stochastic and interfering quantum-like behavior. Considering this background of the stochastic nature, we may be able to propose that every existence is concrete and real but every event only appears non-Kolmogorovian due to the entanglement of interactions with whole environment, as described at the second paragraph of this section.

We here repeat our proposal that nothing is isolated or independent in our universe and that everything is interconnected: This is manifested as quantum-like behavior for macro systems including bio-systems [12] and probably as quantum mechanics for micro systems as we speculate in our study. Thus adaptive dynamical view can be the unified concept or view for the foundation of science and every existence. In relation to such unified view of existences as above, there have been several other reports on unifying other aspects of quantum mechanics [16] [17] .

Conflicts of Interest

The authors declare no conflicts of interest regarding the publication of this paper.

References

[1] Ohya, M. (2008) Adaptive Dynamics and Its Applications to Chaos and NPC Problem. In: Quantum Bio-Informatics: From Quantum Information to Bio-Informatics, World Scientific Pub., 181-216.
[CrossRef
[2] Asano, M., Khrennikov, A., Ohya, M., Tanaka, Y. and Yamato, I. (2015) Quantum Adaptivity in Biology: From Genetics to Cognition. Springer Netherlands, Dordrecht, 1-173.
[CrossRef
[3] Ando, T., Asano, M., Khrennikov, A., Matsuoka, T. and Yamato, I. (2023) Entropy, 25, 1487.
[CrossRef] [PubMed]
[4] Aerts, D., Aerts, S., Broekaert, J. and Gabora, L. (2000) Foundations of Physics, 30, 1387-1414.
[CrossRef
[5] Castañeda, R., Matteucci, G. and Capelli, R. (2016) Journal of Modern Physics, 7, 375-389.
[CrossRef
[6] Michielsen, K., Mohanty, S., Arnold, L. and De Raedt, H. (2012) AIP Conference Proceedings, 1424, 246-250.
[CrossRef
[7] De Raedt, H., Michielsen, K. and Hess, K. (2017) Open Physics, 15, 713-733.
[CrossRef
[8] Mesa Pascasio, J., Fussy, S., Schwabl, H. and Grössing, G. (2012) Journal of Physics: Conference Series, 361, Article 012041.
[CrossRef
[9] Grössing, G., Fussy, S., Mesa Pascasio, J. and Schwabl, H. (2011) Journal of Physics: Conference Series, 306, Article 012046.
[CrossRef
[10] Grössing, G., Fussy, S., Mesa Pascasio, J. and Schwabl, H. (2012) Annual Physics, 327, 421-443.
[CrossRef
[11] Hecht, E. (2002) Optics. Addison-Wesley, Reading, Boston.
[12] Yamato, I., Murata, T. and Khrennikov, A. (2017) Progress in Biophysics and Molecular Biology, 130, 33-38.
[CrossRef] [PubMed]
[13] Kim, Y.-H., Yu, R., Kulik, S.P., Shih, Y. and Scully, M.O. (2000) Physical Review Letters, 84, 1-5.
[CrossRef
[14] Nagasawa, M. (2012) New Quantum Theory According to Markov Process Theory. Shueisha/Sanseido Co. Ltd., Tokyo, 1-305. (In Japanese)
[15] Walleczek, J. and Grössing, G. (2016) Foundations of Physics, 46, 1208-1228.
[CrossRef
[16] Aquino, F.W. and Wong, B.M. (2018) The Journal of Physical Chemistry Letters, 9, 6456-6462.
https://pubs.acs.org/doi/10.1021/acs.jpclett.8b02786
[17] Janesko, B.G. (2022) The Journal of Chemical Physics, 157, Article 151101.
[CrossRef] [PubMed]

Copyright © 2026 by authors and Scientific Research Publishing Inc.

Creative Commons License

This work and the related PDF file are licensed under a Creative Commons Attribution 4.0 International License.