Importance of Electrical Single Line at Lock Out Tag Out (LOTO) Applications

Abstract

Energy is the main parameter for equipment and operating process facilities in enterprises. Energy is a useful and profitable parameter for both industry and human life. Energy will be harmful if maintenance or repair activities are carried out on any workplace equipment or system without following effective and safe procedures. It can cause organizational loss, such as personal injury, equipment damage or any damage. In this study, LOTO designs for the control of hazardous energy in certain areas in the construction industry are included. With the use of this technology, which has a new place in the market, good information about single line drawing and correct application methods can be reached.

Share and Cite:

Guner, S. (2023) Importance of Electrical Single Line at Lock Out Tag Out (LOTO) Applications. Open Journal of Safety Science and Technology, 13, 152-170. doi: 10.4236/ojsst.2023.133008.

1. Introduction

Safety, the basic requirement of industrial activities, requires taking effective measures to protect workers’ health, safety and welfare. Security remains the biggest challenge in the industry despite technological advances. In industries, thousands of electric shock accidents and hundreds of machine-related accidents result in death each year due to unexpected operation of machinery or equipment or the release of stored energy [1] . Most such accidents occur during maintenance, service, activity, and construction [2] . These incidents not only endanger the lives of workers, but also bring serious financial losses to companies. The potential consequences of such accidents include injury or death of workers, increased medical expenses, loss of labor, production interruption, equipment damage and reputational damage. Considering all these factors, it is seen that ensuring occupational safety and safe working environments is of critical importance. Effective implementation of occupational safety policies, worker training, regular inspections and compliance with safe work procedures are important in reducing such incidents [3] . This has highlighted the need for industries to improve safety standards and implement hazardous energy control procedures more effectively [4] .

Energy sources are evaluated in two classes as dangerous and non-hazardous. Sources that have the potential to harm the worker, machine or the environment are known as hazardous energy sources. Hazardous energy sources from electrical, mechanical, hydraulic, pneumatic, chemical or thermal sources (Figure 1) in machinery and equipment are the source of long-standing problems in the industry [5] [6] [7] [8] . Non-hazardous energy sources, on the other hand, have little or no potential to cause any harm [9] . Isolation methods are preferred to prevent accidents caused by hazardous energy sources. Sources such as pumps, power plants, pressure vessels, tanks and pipelines require insulation. It is necessary to follow the lockout/tagout (LOTO) system to save people’s lives during maintenance or service activities [7] [10] .

The appropriate and effective use of LOTO procedures (Figure 2) helps to control the risk posed by potentially damaging energy sources such as machine starting or sudden release [7] . It also includes special practices and procedures to prevent the uncontrolled release of hazardous energy. The LOTO system includes isolating, lockout and tagout energy sources. It aims to ensure workers have safe access to machinery and equipment and prevent unexpected energy release or start-up situations [11] [12] [13] [14] [15] .

An energy isolation device physically prevents the transmission or release of hazardous energy. These devices include an electrical circuit breaker, a disconnect switch, a line valve, a block, and similar devices used to block or isolate energy [16] . Lockout devices that hold energy isolation devices in a secure or closed position provide physical protection to workers by preventing the operation of such devices. The preferred lockout process as the primary method is known as placing a lock, tag or identifiable lock on the device. The main purpose of interlocking devices used in machinery is to prevent the equipment from being energized. Designed as durable equipment, these devices have a separate locking function. It is mounted and operated on the equipment it is used. In addition, it should be placed in a certain standard according to the equipment used [17] . The other process, tagging, is the energization of the machine or equipment using a tag securely attached to an energy isolation device. Suppose it is possible to lock out an energy isolating device. In that case, employers should use lockout devices unless they develop, document and use a labeling procedure that provides workers with a level of protection equal to that offered by a lockout device [3] [18] . Most incidents in industry involve the inadequate, unauthorized or improper use of hazardous energy control procedures, also known as LOTO procedures [16] .

Figure 1. Hazardous energy control.

Figure 2. Lockout/Tagout system.

Zero energy use should be encouraged to reduce hazards to machinery. One of the basic principles, “Machine Safety”, states that when access to a machine is required, people who want to enter a restricted or dangerous area must first isolate all energy sources and prevent their spread. The two main international standards that provide incentives for machine safety, which has many different steps from risk assessment to design and verification (Figure 3), are ISO 14118 and ANSI ASSE Z244.1 in the USA [5] [19] . The ISO 14118 standard contains guidelines for ensuring the safety of machines. ANSI ASSE Z244.1 contains guidelines on hazardous energy lockout, tagout and controls for alternative methods [20] [21] . Considering the high frequency of losses as a result of the unexpected release of hazardous energy and related machine processes, significant measures have been taken by employers, unions, trade associations and the government to reduce accidents [22] . These standards also advise on alternative methods of locking [20] [21] .

There are several other important global standards that have been discussed and defined in relation to functional safety. These include ISO 12100, ISO EN 13849, IEC EN 61508, IEC EN 61511, IEC EN 62061 and IEC EN 61800-5-2. The

Figure 3. Machinery-safety lifecycle [23] .

focus of these standards, which set out the basic methodology for ensuring safety in machine design, is not only on individual safety components, but also on the overall design and operation of the system and how people interact with machines and systems. Hence the term functional safety. The process of ensuring functional safety offers additional benefits beyond protecting workers, such as reducing downtime and increasing productivity. Well-defined, designed and implemented functional safety systems are important in achieving these additional benefits [23] .

The Occupational Safety and Health Administration (OSHA), the American National Standards Institute (ANSI) and other organizations have provided regulations and guidance for assessing the risk present and implementing alternative personnel protection methods to reduce the risk to a tolerable level. Although organizations such as OSHA, ANSI, the National Institute for Occupational Safety and Health (NIOSH) have defined very detailed LOTO procedures, these LOTO procedures have many manual activities [24] [25] [26] [27] [28] .

The regulation governing the use of LOTO in the United States is OSHA regulation 1910.147 [29] . This standard specifies minimum performance requirements for the control of hazardous energy. In general, the requirements of 1910.147 apply if someone needs to disable or remove a machine guard, be near the operating point, or make an adjustment [5] [30] [31] .

According to OSHA, workers should be retrained in using new or updated energy control methods when new energy control methods are introduced or existing controls are changed [32] . Figure 4 includes a lockout/tagout procedure with the following six steps [32] [33] [34] [35] :

In countries such as the USA, Canada and the UK, Social Laws mandate the application of this technique [5] . This leads to the widespread adoption of the Lockout-Tagout methodology in these countries. In Italy and many European

Figure 4. Lockout/Tagout procedure.

countries, this methodology is specified in non-mandatory technical standards. This causes Lockout-Tagout to be more of an exception than the rule [21] [31] .

LOTO compliance prevents 120 deaths and 50,000 injuries annually, with injuries ranging from amputations to electric shocks. LOTO applies to both affected workers and authorized workers [36] .

In 2022, LOTO received 505 more violations than in 2021, increasing its number to 2175 (Figure 5). This increase in violations highlighted the inevitable search for new solutions. There needs to be more performance to control hazardous energy during the service and maintenance of machinery and equipment. Solutions from safety professionals are important for these violations. With improvements in workplace safety, these violations are expected to decrease as employers seek training and resources to keep their workers safe [37] [38] .

In industrial environments, problems are often encountered during application. Most of these problems are usually caused by human errors and can lead to system failures [4] [39] . In 2022, energy control procedures were the most common violations of LOTO standards (Figure 6).

There are some exceptions where OSHA 1910.147 does not apply [16] . The regulation, which does not cover normal operations, covers minor service and maintenance activities. LOTO procedures are not used if they are a routine, non-repetitive, integral part of the use of equipment for production. Alternative control methods are used to protect equipment and workers against the unintentional start-up of hazardous energy sources [40] .

Prevention through design (PTD), a safety intervention concept of the term zero energy, is one of the important methods to control occupational accidents, illnesses and fatalities. Thanks to this method, which evaluates the workers who make the designs or who have to work with the machines resulting from the design together, a safe and effective working environment emerges [41] . The use of zero energy with this method has had some negative effects. Examples of these effects are [42] :

• The perceived zero energy for all service and maintenance is not taken into account at the concept and design stage, preventing efficient and effective equipment designs,

• Stopping the production phase for longer than necessary,

• Consideration of conditions that cause serious injury or death to be reduced if not reduced [43] .

Figure 5. Change in deaths due to LOTO violations between 2015 and 2022.

Figure 6. Top 5 sections cited within the standard in 2022.

They must also prevent re-energization by using the lockout procedure. The Tagout procedure must also be applied to establish communication. Before starting work, a test must be carried out to ensure that the workpiece is actually de-energized [44] .

Burlet-Vienney et al. [45] have designed a system with electronic card, sensors and wireless communication that can follow lockout procedures. Thanks to this design, which has the function of a smart tool, the steps of closure, isolation, application of locking devices, distribution and verification can be applied in accordance with the procedure. With the method that can be controlled independently, observation and follow-up processes can be followed smoothly. The method, which complies with the principle of risk reduction by design, facilitates inspections and the implementation of LOTO procedures by workers and makes the training of workers more practical.

The impact of qualitative and quantitative probabilistic modelling on risk assessment is also important in the design of systems where international standards are accepted. Designs are carried out to verify the probabilistic modelling process in determining the level of safety integrity. In a study where functional safety is ensured in both control and protection systems, programmable electronic systems are included [46] .

Probabilistic modelling can be used to minimise accidents due to human error and deviations in the process, focusing on problems during production [47] . It is thought that designs in accordance with LOTO procedures can give optimal results. Analytical perspective is preferred in optimised studies. The analytical formalism obtained by combining experimental design and genetic algorithm realises optimal production planning. Diop et al. investigated the corrective maintenance of LOTO implementation by sampling, which can be expressed in quantitative terms. With a methodological approach based on the Markov chain model, the dynamics involving continuous and discrete variables of the system are studied.

In the construction sector, studies have been carried out on different written programmes for LOTO studies. In a study using the jacking-out construction method, methods of shortening the process time in line with the procedures for the construction of transport infrastructures were sought using finite element software [48] .

As a result, despite technological advances, security issues in industries still pose a serious threat. The correct implementation of LOTO procedures is a critical step in minimizing risks from energy sources and ensuring worker safety. This article highlights the importance of LOTO procedures and discusses addressing the security challenges faced by industries and measures to create safer working environments. Research and case studies show that the right training and awareness programs enable workers to understand better and correctly implement LOTO procedures. In addition, technological solutions such as automatic locking systems support a more reliable and efficient implementation of procedures.

In this paper, the design of electrical single-line diagrams in the context of LOTO applications is presented. Single-line diagrams play a vital role in ensuring the efficiency and security of the interlocking process. This comprehensive analysis will reveal the importance of electrical single-line diagrams in LOTO applications by providing an overview of LOTO, explaining the concept of electrical single-line diagrams and highlighting their important role in LOTO procedures. Employers and workers who fully grasp the importance of electrical single-line diagrams in LOTO applications will be better equipped to appreciate the importance of precise and up-to-date diagrams in promoting a safe work environment.

A graphical representation, [49] known as an electrical single-line diagram, provides a simplified overview of an electrical system [50] [51] . Diagrams are critical for understanding and analyzing electrical systems. They provide a visual representation of the circuit, including key components such as distribution boards, transformers and switches. These diagrams use standard symbols and conventions to describe electrical components and their connections. They also show the flow of electricity by determining the path of the current and the location of the energy source. By studying single-line electrical schematics, engineers, technicians and electricians can gain a comprehensive understanding of electrical infrastructure. However, it can facilitate troubleshooting, maintenance and system upgrades. Additionally, these diagrams serve as a reference for documenting and communicating electrical systems, ensuring consistency and accuracy in design and construction.

In LOTO applications, it is important to identify the electrical components and circuits involved in the locking process. Electrical single-line diagrams play this important role by providing a visual representation of energy sources and interconnections. Its clear visualization allows workers to identify exactly which circuits need to be de-energized and locked out. By referring to these diagrams, workers can identify appropriate isolation points and understand the potential hazards associated with each course. This knowledge is critical for designing and running an effective LOTO program, ensuring that all energy sources are properly controlled, and protecting workers from unpredictable energy [52] . Most electrical safety incidents can be caused by one or more of the following four issues. Often the cause is multiple failures rather than a single cause.

• Not cutting off the energy of the equipment

• Malfunctions associated with Lockout/Tagout procedures

• Inadequate staff training and qualifications

• Improper maintenance and operation [53]

In the United States and Canada four million workers are exposed to this type of risk each year. So the Occupational Safety and Health Administration (OSHA) is currently preparing a proposal for a job site lockout [21] [54] [55] .

Construction activities have the highest rate among worker activities, accounting for 49% of worker deaths [56] . The construction industry is responsible for approximately 20% of work-related deaths in Canada and the United States [17] . The scientific literature on the control of hazardous energy in the construction industry mainly focuses on the analysis of workplace accidents associated with electrical hazards [57] .

Although it is generally the most common hazard on construction sites, [54] electricity is not the only hazard workers are exposed to during maintenance work. For example, in the United States, “contact with objects or equipment” is also a more important cause of death in the industry than electrical contact [58] [59] . This category of accident is also potentially associated with an energy control issue [17] .

This study examines what lockout and tagout procedures are, how they are applied and why they are important for the safety of workers in the workplace. In addition, the steps required for the correct implementation of these procedures and their potential benefits are discussed. Studies show that lockout and tagout procedures play a critical role in ensuring occupational safety in the workplace.

2. Methods

Proper LOTO requires good knowledge of single-line drawing and correct practice. A single line is complicated in complex projects such as Data Centers, Production and Substations. Because there is not only a single source but also multiple redundant sources. These are also very intense. Therefore, single-line reading is very important. Some examples will be presented in this study.

Facility Maintenance (FacOps) and the construction industry are completely different in terms of LOTO implementation. If a LOTO is performed in an operating facility, all direct upstream feeders of the desired equipment need to be locked. However, this is not practical and is only sometimes applied when it comes to a construction site. It makes the Construction LOTO more complicated, as a locked group will be executed on a daily basis and an area will be locked instead of a single unit. Once you have an idea of how a LOTO setup should be and the procedure, it will be illustrated to explain it in a better way.

The study will only repeat some of the rules and regulations of the OSHA 1910.147 standard. However, the electrical single line, potential sources and hazards will be de-scribed in this article.

2.1. Important Factors of LOTO

The sequence of procedures for locking out the equipment is as follows:

a) Identification of equipment parts to be isolated from energy sources.

b) Identification of resources,

The projects have three electricity types of sources: utility lines, Generator and UPS. UPSs are sent to the field as pre-charged.

c) However, power factors also come to the fore. There are two types of power, main power and control power. The control power can be a control power of large-scale electrical equipment in addition to the main power, and this hazard must also be controlled.

d) Inspecting a single line, this step requires good electrical knowledge and good experience.

e) Resources will be isolated from the work area and a safe environment will be created.

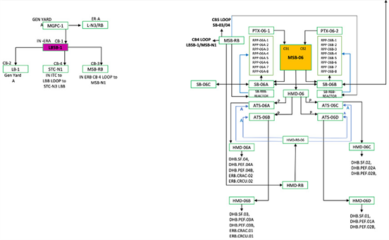
Figures 7-10 shows a single line drawing of a typical Data Centre. This drawing represents only a part of the facility. Table 1 gives the information of the units in the data center.

Figure 7 shows the starting part of the application to be used in the facility. In the system that starts with MSG-A and MSG-E units, which are Main Switch Gear, when the locking process takes place, the use of all systems connected to MSG-6A and MSG-6B units can be restricted from a single location.

The system is followed by the control power in Figure 8. The control power can be directed from control panelboards (CPs).

Table 1. Data given in single-line diagrams.

Figure 7. Typical data center single line drawing.

Figure 8. Single line drawing of only part of the data center.

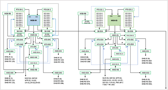
In Figure 9, where the Main Switch Boards powered by the Power Transformer are located, the system is connected to MSB-04 and MSB-05 boards. A mechanical power distribution is realised to the system with HMD-04 and HMD-05 which are Distribution.

In order to use the LOTO application without complicating it, it is very important to design the system appropriately. The end point of the single-line diagram, which ensures that all units are in harmony with each other and the locking points are easily determined, is given in Figure 10. Designing the Main Switch Gear and Control Power Panels, which must be locked before they are energized, in accordance with the procedure makes it easy to perform the operations correctly and sequentially during the locking process.

2.2. LOTO Shows

Figure 11 includes some demonstrations to understand better how LOTO works. This design has two sources, power lines and generators. These units must be locked at the start of the project before they can be energized. When energizing starts, the locks will move downwards and the locking will be more complex. This drawing does not include the UPS. It should be noted that the UPS is also another source and should be locked together with the mains and generator, if any. We will see the difference between locking a working facility and construction for the same installation.

Equipment parts in the project:

1) MVS Medium Voltage Switch PTX Power Transformer GEN Generator

2) MSB Main Board

3) SB Switchboard CB Circuit Breaker SF Supply Fan

Our scenario is to isolate SB 2.

Figure 9. Single line drawing of only part of the data center.

Figure 10. Single line drawing of only part of the data center.

Figure 11. Design of units in which the principle of operation of the LOTO system is demonstrated.

a) The first event takes place in a working facility. As we mentioned earlier, it is much easier to lock a functional facility than an active construction site. The solution will be as in Figure 12. The first step is to lock the feeder of the CB 12 unit at MSB 1. That is why the lock is built into the breaker. There is no backup power or loop on the feeder side. In this way, it is safe. The second step is to review the downstream of the unit. This is to see if there is another loop or feedback option. SB3 is in a loop with SB 2. Therefore, the CB 20 needs to be locked. This operation took place during the working process. The control power also needs to be reviewed and locked out, if any. As we can see lockout in a working facility, you only have to look upstream and downstream. Here it is easy to lock the system. Two locks need to be placed. Moreover, the unit can be isolated from the energy source.

b) The same scenario will be applied on a construction site. CB 12 in MSB 1 could be locked and the same safe state could be achieved. However, it is not practical to lock each unit individually on construction sites. On construction sites, LOTO boxes to be set up by authorized LOTO Managers, tradesmen lock it at the start of the shift, and remove the locks at the end of the shift. This is a common practice on construction sites. Therefore, the purpose of construction sites is not to isolate one unit but to isolate multiple units. However, it must follow the order of energizing.

In this example, the MVSs will be energized first and then all sub-units will be energized, as part of a realistic scenario at a construction site. The assumption is that the MVSs are already energized and the energizing path is PTXs, MSBs, SBs and SFs. That is, the LOTO box can be designed as in Figure 13. This system will work as intended.

However, if the loops are missing, they will not work in the future and will not endanger workers. The best practice is to deal with loops at the beginning and keep them locked up almost until the end of the project. A project aims to energize all equipment and backup power that is initially optional. The best locking should be as in Figure 14.

A more explanation is needed as to why this LOTO setup is better than the previous one. All redundant resources and loops are locked. Additional locks are CB 3, 6, 9, 18, 19 20, 21 and finally 25. All equipment in the drawing can still be energized when needed. It does not prevent energizing.

After that, it is passed to the energizing plan. The plan is to energize MSB 3. Note that all MVSs are pre-energized. All that needs to be done is to turn off SWITCH 3 and unlock it. Moreover, the new downstream, CB 15 and CB 16, must be locked. Also, CB 8 needs to be locked due to generator feedback. The drawing will be as in Figure 15 below. Areas shaded in red are energized units.

3. Results & Conclusions

The visualization of electrical power systems focuses on single-line diagrams with simplified logical descriptions of circuit connections and components. Such diagrams support the review, analysis and presentation of power system data.

Figure 12. Design of units in which the principle of operation of the LOTO system is demonstrated.

Figure 13. LOTO box design.

Figure 14. Locking system.

Figure 15. Design of units in which the principle of operation of the LOTO system is demonstrated.

It is necessary to eliminate as many things as possible before energization. This is because it pre-locks the redundant powers of the loops where they can be handled during energizing. Some projects must be dealt with thousands of equipment on construction sites. In this study, the designs prepared for a certain part of the projects are included. Missing one of the loops, redundant power, another downstream or feedback source present in the designs creates a hazard to workers and the facility may experience an incident.

Lack of knowledge about single-line drawing causes incidents. This is basically a human error. Advanced computer software is being utilized to fix human mistakes and they work well.

Basically, after entering an electrical single line drawing as data into the software, the software will tell users how many locks and where they should be applied. Human error is eliminated if the single line is entered correctly into the software. This technology has just started to be implemented in the industry. And it is expected to reduce cases. Human abilities are limited, but barriers are being overcome using computer science. LOTO designs are one of these areas.

Acknowledgements

The author would also like to thank Roy D. Brand and Orjin Mekatronik/Bursa/Türkiye for their help.

Conflicts of Interest

The authors declare no conflicts of interest regarding the publication of this paper.

References

[1] Charlot, E., Kenne, J.P. and Nadeau, S. (2007) Optimal Production, Maintenance and Lockout/Tagout Control Policies in Manufacturing Systems. International Journal of Production Economics, 107, 435-450.
[CrossRef
[2] Haslam, R.A., Hide, S.A., Gibb, A.G.F., Gyi, D.E., Pavitt, T., Atkinson, S. and Duff, A.R. (2005) Contributing Factors in Construction Accidents. Applied Ergonomics, 36, 401-415.
[CrossRef] [PubMed]
[3] Bulzacchelli, M.T., Vernick, J.S., Sorock, G.S., Webster, D.W. and Lees, P.S.J. (2008) Circumstances of Fatal Lockout/Tagout-Related Injuries in Manufacturing. American Journal of Industrial Medicine, 51, 728-734.
[CrossRef] [PubMed]
[4] Janicak, C.A. (2008) Occupational Fatalities Due to Electrocutions in the Construction Industry. Journal of Safety Research, 39, 617-621.
[CrossRef] [PubMed]
[5] Poisson, P. and Chinniah, Y. (2016) Managing Risks Linked to Machinery in Sawmills by Controlling Hazardous Energies: Theory and Practice in Eight Sawmills. Safety Science, 84, 117-130.
[CrossRef
[6] McManus, T.N. (2013) Management of Hazardous Energy: Deactivation, De-Ener- gization, Isolation and Lockout. CRC Press, Boca Raton, 1-48.
[7] Rampuri, S. (2020) Hazardous Energy Isolation Procedures in Industries. International Journal of Institution of Safety Engineers, India, 3, 1-10.
[8] Ravi, M., Sridharan, P. and Senthilkumar, V.K. (2018) Implementation Strategy of Lockout and Tagout (LOTO) Electrical Systems for Paper Industry. International Journal of Applied Science and Engineering, 6, 1-10.
[CrossRef
[9] Zhao, D., McCoy, A.P., Kleiner, B.M. and Smith-Jackson, T.L. (2015) Control Measures of Electrical Hazards: An Analysis of Construction Industry. Safety Science, 77, 143-151.
[CrossRef
[10] Johnson, A.L. and Anderson, B.C. (2021) Inadequate Application of Lockout/ Tagout Procedures in Industrial Accidents: A Case Study Analysis. Safety Science, 78, 234-249.
[11] Pacaiova, H., Galtz, J., Darvasi, P. and Habala, I. (2019) The Requirements on Machinery Safety and Their Influence on OHS Effectiveness. Transport & Logistics: The International Journal, 19, 29-41.
[12] Illankoon, P., Manathunge, Y., Tretten, P., Abeysekara, J. and Singh, S. (2019) Lockout and Tagout in a Manufacturing Setting from a Situation Awareness Perspective. Safety, 5, Article No. 25.
[CrossRef
[13] Braglia, M., Donato, L.D., Frosolini, M., Gabbrielli, R., Marrazzini, L. and Padellini, L. (2021) Critical Assessment of the Technical Standards and Regulations about the Energy Isolation and Unexpected Start-Up in Machineries. Proceedings of the 31st European Safety and Reliability Conference, Angers, 19-23 September 2021, 2406-2412.
[CrossRef
[14] Keller, K. (2010) Electrical Safety Code Manual: A Plain Language Guide to National Electrical Code, OSHA and NFPA 70E. Elsevier, Amsterdam, 84-90.
[15] Aghenta, E.A. (2012) Mitigating Risks Associated with Lockout/Tagout (LOTO) of Hazardous Energy in Nigeria—A Tracker Approach. Master of Engineering, Potchefstroom Campus of the North-West University, Potchefstroom.
[16] Karimi, B. (2019) Understanding the Control of Hazardous Energies on Machinery: Using Lockout and Alternative Methods in Organizations and Developing a Self- Audit Tool. Doctoral Thesis, Polytechnique Montréal, Montréal.
[17] The Control of Hazardous Energy (Lockout/Tagout) (2019).
https://www.federalregister.gov/documents/2019/05/20/2019-10247/the-control-of-hazardous-energy-lockouttagout
[18] Burlet-Vienney, D., Chinniah, Y., Nokra, A. and Mosbah, A.B. (2021) Safety in the Quebec Construction Industry: An Overview of and Possible Improvements in Hazardous Energy Control Using Lockout on Construction Sites by Electricians, Pipefitters, Refrigeration Mechanics and Construction Millwrights. Safety Science, 144, Article ID: 105468.
[CrossRef
[19] Grover, T.C. (2017) Highlights of the New ANSI/ASSE Z244.1 Standard, Control of Hazardous Energy, Lockout/Tagout and Alternative Methods. ASSE Professional Development Conference and Exposition, Denver, ASSE-17-519.
[20] Karimia, B., Chinniaha, Y., Burlet-Vienneyb, D. and Aucourta, B. (2018) Qualitative Study on the Control of Hazardous Energy on Machinery Using Lockout and Alternative Methods. Safety Science, 107, 22-34.
[CrossRef
[21] Karimia, B., Burlet-Vienneyb, D., Chinniaha, Y. and Aucourta, B. (2019) Hazardous Energy Control on Machinery: Understanding the Use of Alternative Methods to Lockout. Safety Science, 118, 519-529.
[CrossRef
[22] ANSI/ASSP Z244.1-2016: Control of Hazardous Energy: Lockout (2020).
https://blog.ansi.org/2020/11/ansi-assp-z2441-2016-hazardous-energy-asse/#gref
[23] Kay, J.A. and Schuster, G.K. (2020) Enhanced Productivity with Lockout/Tagout Alternatives: Exploring Alternative Protective Measures. IEEE Industry Applications Magazine, 26, 32-38.
[CrossRef
[24] Darabont, D.C., Moraru, R.I., Antonov, A.E. and Bejinariu, C. (2017) Managing New and Emerging Risks in the Context of ISO 45001 Standard. 7th International Multidisciplinary Symposium—Sustainable Development through Quality and Innovation in Engineering and Research, Bucharest, 11-14 January 2017, 11-14.
[25] Scott, M.A. and Segers, A. (2013) A Global Electrical Safety Program, the Challenge of Developing a Universal Safety System in a Multinational Company. IEEE Industry Applications Magazine, 13, 1077-2618.
[CrossRef
[26] Adeyemi, H.O., Akinyemi, O.O., Adetifa, B.O. and Olorunfemi, B.J. (2018) Comparative Assessment of Hazard Control Measures Incorporated Into Small, Medium and Large-Size Enterprises in Southwest Nigeria. Journal of Engineering Science, 9, 61-68.
[27] Main, B.W. and Grund, E.V. (2017) Hazardous Energy: The Battle for Control in the Standards Arena. Professional Safety, 62, 45-49.
[28] Kumar, S. (2020) Development of an Internet of Things (IoT) Based Lockout/Tagout (LOTO) Device for Accident Prevention in Manufacturing Industries. Doctor of Philosophy in Engineering, University of Petroleum and Energy Studies, Uttarakhand.
[CrossRef
[29] Bulzacchelli, M.T., Vernick, J.S., Webster, D.W. and Lees, P.S.J. (2007) Effects of the Occupational Safety and Health Administration’s Control of Hazardous Energy (Lockout/Tagout) Standard on Rates of Machinery-Related Fatal Occupational Injury. Injury Prevention, 13, 334-338.
[CrossRef] [PubMed]
[30] Ross, L.T. (2008) The Best Use of Lockout/Tagout and Control Reliable Circuits. ASSE Professional Development Conference and Exhibition, Las Vegas, June 2008, ASSE-08-565.
[31] Lockout-Tagout Analysis, ISO 14118 “Safety of Machinery” and USA Standard ANSI/ASSE Z244.1 (2023).
https://www.gt-engineering.it/en/insights/electrical-hazard-and-arc-flash-mitigation/lockout-tagout-analysis
[32] 6 Steps of Lockout/Tagout Procedures (2023).
https://www.vectorsolutions.com/resources/blogs/loto-safety-6-steps-of-lockout-tagout
[33] Lockout Tagout Procedure.
https://www.lockout-tagout.co.uk/Lockout%20Tagout%20Procedure.php
[34] Chen, B.H. (2022) A Design of a Digital Lockout Tagout System with Machine Learning. Master of Sciences in Computer Science, Faculty of California Polytechnic State University, San Luis Obispo.
[35] De Grange, C.E., Freeman, J.W. and Kerr, C.E. (2010) Performance Analysis: Control of Hazardous Energy. U.S. Department of Energy Office of Scientific and Technical Information, Oak Ridge.
[CrossRef
[36] Lockout Tagout Training—What You Need to Know for 2023 Safety (2023).
https://www.arcflashpro.com/lockout-tagout-training-what-you-need-to-know-for-2023-safety
[37] How to Avoid These Most Cited OSHA Violations for LOTO in 2023 (2023).
https://www.graceport.com/blog/avoid-osha-most-cited-osha-loto-violtaions
[38] Lockout/Tagout Makes OSHA’s Top 10 Safety Violations List for Fiscal Year 2022—Again (2022).
https://tyndaleusa.com/blog/2022/11/11/lockout-tagout-makes-oshas-top-10-safety-violations-list-for-fiscal-year-2022-again
[39] Dzwiarek, M. (2022) Application of Lockout/Tagout Procedures in Production Systems of Industry 4.0. Journal of KONBiN, 52, 137-148.
[CrossRef
[40] Woods, M. (2011) Addressing Control of Hazardous Energy Requirements in a Laser Safety Program. International Laser Safety Conference, San Jose, 14-17 March 2011, 1-6.
[41] Manuele, F.A. (2008) Prevention through Design. Professional Safety, 53, 28-40.
[42] Toole, T.M., Gambatese, J.A. and Abowitz, D.A. (2016) Owners’ Role in Facilitating Prevention through Design. Journal of Professional Issues in Engineering Education and Practice, 143, Article ID: 04016012.
[CrossRef
[43] Taubitz, M.A. and Contos, L.G. (2023) The Myth of Zero Energy and Its Adverse Impact on Prevention through Design. Professional Safety, 68, 18-28.
[44] Badiane, A., Nadeau, S., Kenné, J.P. and Polotski, V. (2016) Optimizing Production While Reducing Machinery Lockout/Tagout Circumvention Possibilities. Journal of Quality in Maintenance Engineering, 22, 188-201.
[CrossRef
[45] Burlet-Vienney, D., Chinniah, Y. and Pizarro-Chong, A. (2014) Design of an Intelligent Tool for the Observation and Follow-Up of Lockout Procedures during Maintenance Activities on Industrial Machines. Open Journal of Safety Science and Technology, 4, 106-118.
[CrossRef
[46] Kosmowski, K.T. (2006) Functional Safety Concept for Hazardous Systems and New Challenges. Journal of Loss Prevention in the Process Industries, 19, 298-305.
[CrossRef
[47] Diop, I., Nadeau, S. and Emami-Mehrgani, B. (2019) A Mathematical Model: A Flexible Manufacturing System, Prone to Error, Making Two Products Each with Stochastic Demand Schedules. American Journal of Industrial and Business Management, 9, 139-168.
[CrossRef
[48] Lu, S.Q., Sun, Y.T. and Hu, Q.W. (2023) Finite Element Analysis Study of Box Culvert Jacking-Out Construction under Existing Railway Line. Engineering, 15, 196-206.
[CrossRef
[49] Parise, G. and Hesla, E. (2002) Clearing Procedures in Electrical Installations: The Electrical Status Space as Model for Training and Planning. IEEE Transactions on Industry Applications, 38, 797-802.
[CrossRef
[50] Pilon, M., Parikh, P., Wetmore, T. and Morgan, B. (2022) Practical Use of Protective Relays to Enhance Personnel Safety in Process Industries. 2022 IEEE IAS Petroleum and Chemical Industry Technical Conference (PCIC), Denver, 26-29 September 2022, 439-445.
[CrossRef
[51] Memarian, B., Brooks, S.B., Le, J.C. and Rivera, J.E. (2022) High-Risk Electrical Tasks & Contributing Work Factors. Professional Safety, 67, 14-20.
[52] Crow, D.R., Liggett, D.P., Mitchem, J.E. and Work, F. (2015) Design and Build Electrical Safety into Construction Projects. 2015 IEEE Petroleum and Chemical Industry Committee Conference (PCIC), Houston, 5-7 October 2015, 1-6.
[CrossRef
[53] Mears, T. (2008) Causes of Electrical Safety Incidents. ASSE Professional Development Conference and Exhibition, Las Vegas, 9-12 June 2008, ASSE-08-788.
[54] Chinniah, Y. and Burlet-Vienney, D. (2015) Study on Lockout Procedures for the Safety of Workers Intervening on Equipment in the Municipal Sector in Québec. International Journal of Occupational Safety and Ergonomics, 19, 495-511.
[CrossRef] [PubMed]
[55] OSHA News Releases-2021.
https://www.osha.gov/news/newsreleases/infodate-y/2021
[56] Kleiner, B.M. and Zhao, D. (2017) Preventing Fatalities in the Construction Industry. The Associated General Contractors of America 2017.
[57] Anderson, R., McGaw, S. and Parra, G. (2021) Electrical Safety in Industrial Construction: An Analysis of 10 Years of Incidents in the Global Engineering, Procurement, and Construction Industry. IEEE Industry Applications Magazine, 27, 31-41.
[CrossRef
[58] Jaffar, N., Abdul-Tharim, A.H., Mohd-Kamar, I.F. and Lop, N.S. (2011) A Literature Review of Ergonomics Risk Factors in Construction Industry. Procedia Engineering, 20, 89-97.
[CrossRef
[59] Suarez-Cebador, M., Rubio-Romero, J.C. and Lopez-Arquillos, A. (2014) Severity of Electrical Accidents in the Construction Industry in Spain. Journal of Safety Research, 48C, 63-70.
[CrossRef] [PubMed]

Copyright © 2026 by authors and Scientific Research Publishing Inc.

Creative Commons License

This work and the related PDF file are licensed under a Creative Commons Attribution 4.0 International License.