Analysis and FDTD Modeling of the Influences of Microwave Electromagnetic Waves on Human Biological Systems

Abstract

The interactions of electromagnetic waves with the human body are complex and depend on several factors related to the characteristics of the incident wave, including its frequency, its intensity, the polarization of the tissue encountered, the geometry of the tissue and its electromagnetic properties. That’s to say, the dielectric permittivity, the conductivity and the type of coupling between the field and the exposed body. A biological system irradiated by an electromagnetic wave is traversed by induced currents of non-negligible density; the water molecules present in the biological tissues exposed to the electromagnetic field will begin to oscillate at the frequency of the incident wave, thus creating internal friction responsible for the heating of the irradiated tissues. This heating will be all the more important as the tissues are rich in water. This article presents the establishment from a mathematical and numerical analysis explaining the phenomena of interaction and consequences between electromagnetic waves and health. Since the total electric field in the biological system is unknown, that is why it can be determined by the Finite Difference Time Domain FDTD method to assess the electromagnetic power distribution in the biological system under study. For this purpose, the detailed on the mechanisms of interaction of microwave electromagnetic waves with the human body have been presented. Mathematical analysis using Maxwell’s equations as well as bio-heat equations is the basis of this study for a consistent result. Therefore, a thermal model of biological tissues based on an electrical analogy has been developed. By the principle of duality, an electrical model in the dielectric form of a multilayered human tissue was used in order to obtain a corresponding thermal model. This thermal model made it possible to evaluate the temperature profile of biological tissues during exposure to electromagnetic waves. The simulation results obtained from computer tools show that the temperature in the biological tissue is a linear function of the duration of exposure to microwave electromagnetic waves.

Share and Cite:

Nzao, A. (2022) Analysis and FDTD Modeling of the Influences of Microwave Electromagnetic Waves on Human Biological Systems. Open Journal of Applied Sciences, 12, 912-929. doi: 10.4236/ojapps.2022.126063.

1. Introduction

The omnipresence of sources of electromagnetic fields in industrialized countries and the installation of mobile telephone antennas mean that people residing in these countries and near these antennas are exposed to them daily, both in their domestic and professional environment.

An EMF safety program, as described for the RF range in IEEE C95.7, should be implemented whenever lower level DRLs (or corresponding ERLs) may be exceeded (program initiation level of security). For people in unrestricted environments, the lower level DRLs should not be exceeded. For authorized persons in restricted environments, the lower level DRLs may be exceeded, but the higher level DRLs should not be exceeded. Identification of restricted environments is achieved through an EMF exposure assessment. Any consistent EMF security program must implement appropriate controls for access to this restricted environment. The goal of the safety program is to prevent exposures that exceed the upper exposure limits. While safety programs are applied to stationary (or stationary) sources of electromagnetic fields, portable devices such as cell phones or professional two-way radios have separate requirements to limit the maximum spatial average SAR in tissue. Procedures to ensure compliance with DRLs for lower or higher exposure levels, as applicable, are developed within IEEE ICES TC34, often in conjunction with Technical Committee 106 of the International Electrotechnical Commission (IEC) [1].

Radiofrequency electromagnetic fields (EMFs) are used to enable a number of modern devices, including mobile telecommunications infrastructure and phones, Wi-Fi, and Bluetooth. As radiofrequency EMFs at sufficiently high power levels can adversely affect health, ICNIRP published Guidelines in 1998 for human exposure to time-varying EMFs up to 300 GHz, which included the radiofrequency EMF spectrum. Since that time, there has been a considerable body of science further addressing the relation between radio frequency EMFs and adverse health outcomes, as well as significant developments in the technologies that use radio frequency EMFs. Accordingly, ICNIR Phasup dated the radiofrequency EMF part of the 1998 Guidelines [2].

However, it is in the workplace that these sources are the most frequent and also the most intense [3]. The potential risks for people exposed to interactions between electromagnetic fields and the human body are real and therefore require protective measures [3].

Exposure to these sources may be voluntary in the event of a medical diagnosis such as an NMR imager, hyperemia therapy, ablation or involuntary mobile telephony, radio or television transmitters, household appliances, computer screens computers, televisions, security systems in shops and airports, high-voltage power lines, transformers, etc. [4].

Exposure to electromagnetic fields generates currents inside the body, the corresponding absorption of energy in the tissues results in an increase in temperature [5]. The health effects generated are mainly a function of the coupling mechanism, the nature of the fields and the duration of exposure [6]. These phenomena are all the more important as the intensity and/or the frequency of the signal are high [3] [7]. In addition to the effects observed on biological functions and health, electromagnetic fields and waves also act on electronic devices [8]. It is therefore important during the construction of the latter to ensure that their operation does not interfere with that of other devices or is not itself the victim of other devices that are sources of fields. To avoid any form of electromagnetic compatibility [9] [10] [11]. Several epidemiological and experimental studies have been carried out on this subject and most of them have led to the establishment of biological effects that may signify a potential risk of long-term dangers from electromagnetic waves for the health of a living being [12].

Theoretical studies have also made it possible to estimate the doses of electromagnetic energy absorbed by animals and humans. The effects of electromagnetic fields on a biological cell being the objective of this article, it seems essential to us to describe the biological cell and the molecular structure of the plasma membrane to underline the difficulties linked to their electrical characterization [13]. This is how we took into account the analyses of some of the authors cited below to help us direct our work in the most appropriate way [1] [9] [12] [14] [15].

According to TB Carlos KONLACK and Roger TCHUIDJAN [2011] an evaluation of the power distribution induced by an electromagnetic wave in a spherical model of the brain allows us to say that [8], the amount of energy received by the brain from waves is very high compared to that which emerges by radiation, and that almost all of the energy received is transformed into heat (which can present a danger).

According to DV Land [3], microwave thermography techniques have been widely used in medical applications to monitor tissue temperature and detect electromagnetic field in biological tissues. Since the temperature rises in the tissue resulting from energy deposition and is proportional to the square of the electric field in the tissue; the response to thermal radiation must have the same sample. The various studies carried out on the subject have shown that the electrical impulses induced by microwave electromagnetic waves can cause the death of cell tissues (thus, the consequences on the human body can be more serious).

The mechanisms leading to this destruction can differ according to the characteristics of the impulse, the number as well as the frequency of repetition [16] [17].

According to KH Schoenbach, S. Xiao, RP Joshi, JT Camp, T. Heeren, JF Kolb and SJ Beebe [2012] [18], the pulse duration is close to a nanosecond and the applied field is l order of MV/cm. The death of illuminated cells is caused solely by changes in the different electrical potentials of the different membranes. The study JT Camp, Y. Jing, J. Zhuang, JF Kolb, SJ Beebe, J. Song, RP Joshi, S. Xiao and KH Schoenbach [2012] [18] show that cell death is caused by electrical effects, but also by thermal effects. A biological system irradiated by an electromagnetic wave is traversed by induced currents of high density [18] [19] [20].

The use of high frequencies, on the order of tens of gigahertz and more, can cause non-thermal effects detrimental to the health of an exposed biological system. It depends on the frequency, the intensity of these waves and the duration of exposure to them. Thus, the mathematical and numerical approach that we propose in our article is intended to be analytical, comparative and critical at the same time [12].

According to A. Bassesuka Sandoka [2021], microwave electromagnetic waves can lead to an elevation of the electrical potential of biological tissues. Despite this potential, it is a decreasing function of the depth of penetration, but can lead to disturbances in the functionality of biological tissues [21].

In this work we demonstrated that from the equation of the electromagnetic power the quantity of the electromagnetic energy received by the brain is much higher compared to that which emerges from it by radiation. Thus, almost all of this energy is transformed into heat, which is more dangerous for the human body because, this power is important at the end of the biological tissue. In the same direction, DV Land [3], trying to demonstrate that the increase in temperature in the tissue resulting from the deposition of energy is proportional to the square of the electric field. After analysis and calculations, we have demonstrated that the longer the duration of exposure to electromagnetic fields, the greater the danger. However, TB Carlos KONLACK and Roger TCHUIDJAN [2011] have tried to demonstrate that the amount of energy received by the brain from waves is very high compared to that which emerges by radiation, and that almost all of the energy received is transformed into heat which creates a permanent danger for the human body.

It is a question not only of analyzing, but also of comparing the various theories of specialists in the field in order to draw useful lessons from them for analyzing and evaluating the effects induced by microwaves in the biological tissues studied. To this end, the purpose of this article is to simulate the exposure of the human body to microwaves in order to characterize and evaluate the temperature profile in the biological system (human brain). For this, we will use an electrical model of biological tissues in order to deduce by electrical-thermal analogy the thermal model of the tissues. For this purpose, the FDTD Finite Difference Time Domain method is used to solve Maxwell’s equations in order to simulate the propagation of the electromagnetic wave in biological media. Once the electromagnetic problem has been solved, the bio-heat equation and the thermal model of biological tissues based on electrical analogy will allow us to evaluate the temperature profile of a human tissue during exposure to electromagnetic waves absorption of electromagnetic energy.

2. Theoretical Model

2.1. Mechanism of Interaction of OEMs—Biological Tissues

When a biological entity is exposed to electromagnetic radiation, interactions occur with the electrical charges of tissues or cells. The below shows how interactions can cause biological effects that are not necessarily harmful to health [22]. Nowadays, it has become essential to be able to characterize the propagation of the electromagnetic field in a complex medium to guarantee the quality of the systems but also to address public concerns about the proliferation of radio station antennas base. In terms of communication and information of the population, it is important to have tools to quantify the levels of electromagnetic fields [23]. They come in various forms such as the power line, telecommunication relays, induction welding tools, mobile phones or household appliances (hair dryer, induction hob, microwave oven) [24]. The complexity of these phenomena is due to several factors, in particular the characteristics of the incident wave: its frequency, polarization and intensity. The parameters measured are the conductivity σ and the permittivity ε which respectively reflect the mobility of the free charges contained in this medium and the polarizability of the medium subjected to an electric field. Information on the structure and composition of tissues such as water content or the presence of a tumor can be obtained by measuring these properties [25] [26] [27].

2.1.1. Wave Coupling—Human Biological Tissue

There are three types of coupling with the human body [28] [29] [30]: coupling with the EBF electric field (<100 kHz); coupling with the EBF magnetic field and coupling with the RF electromagnetic field (100 kHz to 300 GHz). This technique consists of solving Maxwell’s equations numerically by approximating the spatial and temporal derivatives with finite differences using an explicit scheme: this means that at each time step, it is possible to calculate all the derivatives without having to invert matrices. The numerical technique of finite differences is used for solving differential equations. The previous equations are then translated by FDTD as follows [4]:

1) For the Magnetic Field

H x n + 1 2 ( i , j + 1 2 , k + 1 2 ) = H x n 1 2 ( i , j + 1 2 , k + 1 2 ) + Δ t μ Δ z [ E y n ( i , j + 1 2 , k + 1 ) E y n ( i , j + 1 2 , k ) ] Δ t μ Δ y [ E z n ( i , j + 1 , k + 1 2 ) E z n ( i , j , k + 1 2 ) ] (1)

H y n + 1 2 ( i + 1 2 , j , k + 1 2 ) = H y n 1 2 ( i + 1 2 , j , k + 1 2 ) + Δ t μ Δ x [ E z n ( i + 1 , j + 1 , k + 1 2 ) E z n ( i , j , k + 1 2 ) ] Δ t μ Δ z [ E x n ( i + 1 2 , j , k + 1 ) E x n ( i + 1 2 , j , k ) ] (2)

H z n + 1 2 ( i + 1 2 , j , k + 1 2 ) = H z n 1 2 ( i + 1 2 , j + 1 2 , k ) + Δ t μ Δ y [ E x n ( i + 1 2 , j + 1 , k ) E x n ( i + 1 2 , j , k ) ] Δ t μ Δ x [ E y n ( i + 1 , j + 1 2 , k ) E y n ( i , j + 1 2 , k ) ] (3)

2) For the Electric Field

E x n + 1 ( i + 1 2 , j , k ) = ε Δ t σ 2 ε Δ t + σ 2 E x n ( i + 1 2 , j , k ) + 1 ( ε Δ t + σ 2 ) Δ y ( H z n + 1 2 ( i + 1 2 , j + 1 2 , k ) H z n + 1 2 ( i + 1 2 , j 1 2 , k ) ) 1 ( ε Δ t + σ 2 ) Δ z ( H y n + 1 2 ( i + 1 2 , j , k + 1 2 ) H y n + 1 2 ( i + 1 2 , j , k 1 2 ) ) (4)

E y n + 1 ( i , j + 1 2 , k ) = ε Δ t σ 2 ε Δ t + σ 2 E y n ( i , j + 1 2 , k ) + 1 ( ε Δ t + σ 2 ) Δ z ( H x n + 1 2 ( i + 1 2 , j , k + 1 2 ) H x n + 1 2 ( i , j + 1 2 , k 1 2 ) ) 1 ( ε Δ t + σ 2 ) Δ x ( H z n + 1 2 ( i + 1 2 , j + 1 2 , k ) H z n + 1 2 ( i 1 2 , j + 1 2 , k ) ) (5)

E z n + 1 ( i , j , k + 1 2 ) = ε Δ t σ 2 ε Δ t + σ 2 E z n ( i , j , k + 1 2 ) + 1 ( ε Δ t + σ 2 ) Δ x ( H y n + 1 2 ( i + 1 2 , j , k + 1 2 ) H y n + 1 2 ( i , j + 1 2 , k + 1 2 ) ) 1 ( ε Δ t + σ 2 ) Δ y ( H x n + 1 2 ( i , j + 1 2 , k + 1 2 ) H x n + 1 2 ( i , j 1 2 , k + 1 2 ) ) (6)

2.2. Thermal Modeling of Biological Tissues Exposed to Electromagnetic Waves

2.2.1. Electrical Model of a Biological Tissue

Humans live in an electromagnetic environment created by many field sources. These sources can have very different characteristics of frequency, voltage levels, current or power [20]. They come in various forms such as the power line, telecommunication relays, induction welding tools, mobile phones or household appliances (hair dryer, induction hob, microwave oven) [24]. In many situations, the presence of the human body in the radiation area of the source does not affect the power emitted. If the source of the electromagnetic field is known (following in situ measurements or a prior calculation), it is possible not to explicitly model the source but only the human body [17]. This feature is often leveraged in models to limit their complexity [25]. The difficulties in modeling human exposure to electromagnetic fields are due to the particular electrical and geometric properties of the body and the variety of radiation sources.

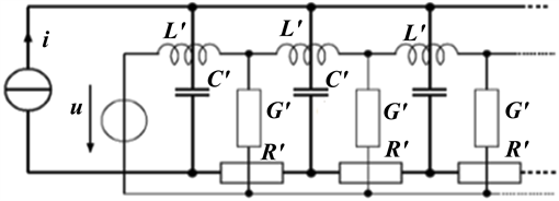
The fundamental concepts of dielectric phenomena in biological media and their interpretation of interactions at the cellular level are well established [31] [32] [33]. Based on the work of Professors Schwan [34] [35] and Foster [36], the dielectric properties of cells are frequency dependent and exhibit relaxation and resonance phenomena, which are a function of different polarizations. The relaxations are named α, β and γ and are more often referred to by the term dispersion because the resulting dielectric absorption is observable over a wide range of frequencies [25] [32] [33] [34] [36]. In the context of this article, the search for a corresponding electrical model leads us to consider a multi-layered biological tissue as a transmission line represented by Figure 1.

The characteristic parameters of the model are: C': linear capacity of the fabric ([F/m] = [A.s/(V·m)]); R': linear resistance of the fabric [Ω/m] = [V/(A·m)]; G': linear transverse conductance of the tissue ([1/(Ω·m)] = [A/(V·m)]) and L': linear inductance of the tissue ([H/m] = [V·s/(A·m)]).

Such a biological system exposed in an electromagnetic environment will be the seat of induced voltage whose propagation is governed by the following relationship:

δ 2 u ( x , t ) δ x 2 = L C δ 2 u ( x , t ) δ t 2 + ( R C L G ) δ u ( x , t ) δ t + R G u ( x , t ) = 0 (7)

If the linear capacitance C' and the linear resistance R' are zero, we obtain:

δ 2 u ( x , t ) δ x 2 = ( L C ) δ u ( x , t ) δ t (8)

Thus, the electrical model of the biological tissue corresponding to equation 13 is given by Figure 2.

Figure 3 can be transformed into the following form to obtain the dielectric model of a multilayered human tissue.

From Figure 3, we deduce Equation (9) below.

Figure 1. Electrical model of a multi-layered biological tissue.

Figure 2. Simplified electrical model of the multi-layered biological system.

Figure 3. Transformation by the principle of duality.

δ 2 i ( x , t ) δ x 2 = ( R C ) δ i ( x , t ) δ t (9)

The structure of relation (9) is similar to that of heat transfer in a homogeneous and isotopic biological medium.

2.2.2. Thermal Model of a Biological Tissue

As a reminder, the evacuation of the greatest quantity of heat in the biological medium is done by conduction. To implement the thermal model of the biological tissue irradiated by the electric field, we consider that the biological medium is unidirectional and homogeneous. For this purpose, relation (9) describes the model of temperature propagation in a biological medium.

δ 2 T ( x , t ) δ x 2 = ρ c λ t h δ T ( x , t ) δ t (10)

It is recalled here that:λth: thermal conductivity of the biological medium [W/m·˚K]; c: specific heat capacity [J/(kg·˚K)] and ρ: density of the biological tissue [kg/m3].

The analogy with the electrical model of biological tissue forces us to consider the thermal capacities and resistances of biological tissue as quantities related to a unit of length. Moreover (contrary to electrical conventions: in a dipole the incoming current is positive), for Figure 4 giving the equivalent thermal diagram of the biological tissue, we will consider as positive the heat leaving the dipole represented by the heat source p.

It is however possible to simplify the model by considering that the thermal resistance is negligible compared to the thermal capacity of the biological system. In this case, a special case can be represented by the segmented structure illustrated in Figure 5.

We will see in the following lines how this can be possible. Consider our thermal brain model irradiated by an RF electromagnetic wave see Figure 6 below.

Figure 4. Thermal model of a biological tissue.

Figure 5. Thermal model of the biological tissue of a real case.

Figure 6. Thermal model of biological brain tissue irradiated by an RF electromagnetic wave.

The bio-heat equation corresponding to Figure 6 is of the form:

P = ρ C t h δ ( T A B ) δ t (11)

Is:

δ T A B δ t = 1 ρ C t h P (12)

with P Loss of power in the biological tissue in Watt; C t h : Tissue heat capacity in [W·s/˚K] and T A B : Average tissue temperature rise in ˚C.

The FDTD method applied to the model of Figure 6 and to Equation (12) makes it possible to take into account the dependence of the electrical and thermal parameters of the biological tissue with the temperature. In general, the algorithm for solving Equation (12) breaks down as follows:

- The first step is to initialize some parameters, such as:

• The temperature: the initial value of the temperature of the fluid is fixed.

• The calorific power, i.e. any phenomenon that can induce a temperature variation in the biological medium, in particular the SAR...

- Finally, the temperature is calculated through Equation (12) in the volume, then at particular points such as interfaces and corners.

As in the case of the FDTD, the spatial discretization consists in evaluating the temperature components. These are “contained” in parallelepipedic cells dividing the volume to be studied. The temperature is calculated at the nodes. As a result, the calorific power is also, which requires bringing the SAR, calculated at the center of the grid, to the temperature calculation points (Figure 7).

In the volume, Equation (12) is discretized as follows:

- In Cartesian coordinates, 3D:

T A B n + 1 ( i , j , k ) T A B n ( i , j , k ) = Δ t ρ C t h P ( i , j , k ) (13)

- In cylindrical coordinates, 2D:

T A B n + 1 ( i , k ) T A B n ( i , k ) = Δ t ρ C t h P ( i , k ) (14)

- In one-dimensional 1D:

Figure 7. The “thermal” knit, in 2D.

T A B n + 1 ( k ) T A B n ( k ) = Δ t ρ C t h P ( k ) (15)

The flux of the incident power can be calculated using Poynting’s theorem, the Poynting vector P is equal to the average power that crosses the unit area of the wave plane, so the flux of P represents a power, in our case of a plane wave with direction Oz, the vector P ( z ) has only one component P(z) because almost all of the energy received by the Biological tissue is transformed into heat, which makes it possible to write:

P = 1 2 R e ( E × H ) (16)

The absorbed power density D (W/m3) in the biological medium transformed into heat is given by the following relationship:

D = d P ( z ) d z = σ 2 E 0 2 e 2 α z (17)

By introducing the density, we can also from Equation (17) obtain the specific absorption rate (SAR) which is expressed in W/kg as follows:

SAR = D ρ = σ 2 ρ | E 0 _ | 2 (18)

The numerical model of SAR is given by the relation below:

SAR ( i , j , k ) = σ 2 ρ | E ( i , j , k ) _ | 2 (19)

k 0 = 2 π f μ 0 ε 0 (20)

We can also write the following thermodynamic energy conservation equation:

P ( z ) d t = ρ C t h d ( Δ T A B ) (21)

By integrating the two sides of Equation (21), we obtain:

ρ C t h ( Δ T A B ) = P ( z ) t (22)

We can deduce the temperature variation in the brain as follows:

Δ T A B = P m o y ρ C t h t (23)

with ρ the mass and volume of a human brain; t duration of irradiation in hours; Δ T A B temperature variation in the brain in ˚C and C t h mean specific heat capacity of the brain [J/kg·K].

3. Numerical Simulation

3.1. Bio-Electrothermal Parameters

We will exploit the previous theoretical analysis to evaluate the power distribution induced by a 1.8 GHz electromagnetic wave (GPS) in a model of the proposed biological tissue. The mass and volume of a human brain are estimated to average 1.3 kg and 1.5 liters respectively. This corresponds to an average density:

ρ = 870 kg / m 3 ; C t h = 4000 J / kg K ; P i = 1 mW / C m 2 ; σ = 0.7 mS / m ; E 0 = 87 V / m ; α = 0.1 ; β = 4 rad / m and k 0 = 37 .

3.2. Results

Considering the frequency of 1.8 Giga Hertz [Ghz] of propagation of electromagnetic waves and the depth of penetration of electromagnetic waves in a biological medium varying from 0 to 30 millimeters. The results of the simulation are given in Figures 8-12, and Figure 14 below. Figure 13 presents the results obtained experimentally in the work of [Rakotomananjara D.F and Randriamitantsoa P.A [2020] [37] ] and [TB Carlos KONLACK and Roger TCHUIDJAN [2011] [38] ].

3.3. Discussions

Figure 8 and Figure 9 give the electromagnetic power received by the brain as a function of the depth traversed, showing that the power received is more concentrated at the end of the brain closest to the area of the head where the telephone

Figure 8. Absorbed power curve as a function of penetration depth.

Figure 9. Trend curve of absorbed power as a function of penetration depth.

Figure 10. Power curve according to frequencies.

Figure 11. Trend curve absorbed power density versus biological tissue thickness.

Figure 12. Trend SAR attenuation in the skin: result published by Rakotomananjara D.F and Randriamitantsoa P.A of the [2020] [Telecommunications, Automation, Signal and Images Research Laboratory] [37].

handset is stuck. It is this end that heats up the most. This is analogous to a pan on fire, in fact it is the area of the pan exposed to the fire that will heat up the most. In the same way that a microwave oven heats food, the brain will be heated when it is irradiated by electromagnetic waves. The thermal effects are due to the dissipation in heat of the energy of the radiation reaching the tissues. The water molecules present in the biological tissues will begin to oscillate at the frequency of the incident wave, thus creating internal friction responsible for the heating of the irradiated tissues. This heating will be all the more important as the tissues are rich in water. However, electromagnetic waves can also cause non-thermal effects.

Figure 10 shows that the electromagnetic power absorbed in the biological tissue (brain) decreases when the frequency of the waves which irradiate it increases. Thus at low frequencies, that is to say below a few tens of megahertz, it is the biological effects of a thermal nature which are preponderant, whereas at high frequencies the thermal effects are not very significant. However, the use of high frequencies, of the order of tens of gigahertz and more, can lead to non-thermal effects that are harmful to health.

The curve in Figure 11 shows that the energy absorbed is a function of the conductivity of the biological medium and decreases in the direction of propagation. Dosimetry consists in establishing the relationship between an electromagnetic field distribution in free space and the fields induced inside biological tissues or generally the human body. In other words it is the quantification of the energy in a medium exposed to an electromagnetic field by evaluating the specific absorption rate (SAR), Figure 12 shows the attenuation of the SAR in the skin, we can clearly see that very little energy is absorbed and most of it is absorbed in the epidermis (0.1 Cm). These results can be compared with those obtained experimentally in the work of Rakotomananjara D.P and Randriamitantsoa P.A [2020] [37], in Figure 13.

We notice from the above that the electrical impulses of microwave electromagnetic waves cause an increase in heat in the different biological media studied and Figure 14 shows that the heating of the biological tissue as a function of the duration of irradiation will continue to increase and in a quasi-linear manner with the duration of the communication. This result can be compared to the work of TB Carlos KONLACK and Roger TCHUIDJAN [2011] [38].

Figure 13. Trend temperature variation in biological tissue over irradiation time.

Figure 14. Trend curve ∆θ = f(τ): Results published by TB Carlos KONLACK and Roger TCHUIDJAN [2011] [38].

4. Conclusion

In this article we have chosen the modeling approach based on the electric-thermal analogy of a human biological tissue, taking into account on the one hand the physical phenomena of the propagation of a plane microwave electromagnetic wave and on the other hand the experimental values in order to simulate the distribution of electromagnetic energy in human biological tissue exposed in an electromagnetic environment and the temperature profile of the biological system studied. The proposed work mainly aims to provide arguments to justify the relevance of the results of studies of the interaction between electromagnetic fields and the human body. It can also find direct applications in the precise characterization of biological environments and in the establishment of new standards on human exposure to electromagnetic fields. We have tried to take advantage of the many advantages of this method, namely the reduction of simulation time, the possibility of simulating complex systems like the one under study. The simulation result obtained in this article is similar to that obtained experimentally in the work of [Rakotomananjara D.F and Randriamitantsoa P.A]. As a result, we have therefore deemed it useful that modeling based on the electrical-thermal analogy of a human biological tissue analyzed from bio-heat equations is more suitable for the study of a system as complicated and disparate as a biological tissue complex. Of all the analyzes and modeling, Maxwells equations can also be used in detail to model human biological tissues exposed to microwave electromagnetic waves by taking into account all of these parameters.

Perspective

A direct prospect of this study is the application of one of the method that we used, that is to say the electronic circuit method to enrich the models of existing human biological tissues with a view to the simulation of impact of electromagnetic waves on living beings living near relay antennas. Other electromagnetic parameters could be taken into account to develop an electrical model of biological tissue in a more complex and complete form. This method is also intended to be tested on other tissues, possibly outside the framework of the biological tissues treated in this article. The complete modeling of the brain, heart, faith and simulation constitutes a much broader perspective and can also be analyzed in a complete way from the MoM method.

Conflicts of Interest

The authors declare no conflicts of interest regarding the publication of this paper.

References

[1] IEEE (2019) IEEE-C95.1-2005—IEEE Standard for Safety Levels with Respect to Human Exposure to Radio Frequency Electromagnetic Fields, 3 kHz to 300 GHz. IEEE, New York.
[2] ICNIRP (2020) Guidelines for Limiting Exposure to Electromagnetic Fields (100 kHz to 300 GHz). Health Physics, 118, 483-524.
[Google Scholar] [CrossRef
[3] Mimi, M. and Land, D.V. (1991) Nonresonant Perturbation Measurement of Antenna Electromagnetic Field Configurations for Biomedical Applications. The Journal of Photographic Sciences, 39, 161-163.
[CrossRef
[4] Simicevic, N. and Haynie, D.T. (2005) FDTD Simulation of Exposure of Biological Material to Electromagnetic Nanopulses. Physics in Medicine and Biology, 50, 347-360.
[CrossRef] [PubMed]
[5] Wang, Y., Schimpf, P.H., Haynor, D.R. and Kim, Y. (1998) Geometric Effects on Resistivity Measurements with Four-Electrode Probes in Isotropic and Anisotropic Tissues. IEEE Transactions on Biomedical Engineering, 45, 877-884.
[CrossRef] [PubMed]
[6] Stuchly, M.A. and Dawson, T.W. (2000) Interaction of Low Frequency Electric and Magnetic Fields with the Human Body. Proceedings of the IEEE, 88, 643-664.
[CrossRef
[7] Schoenbach, K.H., Xiao, S., Joshi, R.P., Camp, J.T., Heeren, T., Kolb, J.F. and Beebe, S.J. (2008) The Effect of Intense Subnanosecond Electrical Pulses on Biological Cells. IEEE Transaction on Plasma Science, 36, 414-422.
[CrossRef
[8] Reivonen, S., Keikko, T., Isokorpi, J. and Korpinen, L. (1999) Internal Currents in a Human Body with Spheroidal Model in a 400 kV Switchyard. 11th International Symposium on High-Voltage Engineering, London, 23-27 August 1999, 4.
[CrossRef
[9] Miranda, P.C., Hallett, M. and Basser, P.J. (2003) Electric Field Induced in the Brain by Magnetic Stimulation: A 3D Finite Element Analysis of the Effect of Tissue Heterogeneity and Anisotropy. IEEE Transactions on Biomedical Engineering, 50, 1074-1085.
[CrossRef
[10] Raicu, V., Kitagawa, N. and Irimajiri, A. (2000) A Quantitative Approach to the Dielectric Properties of Skin. Physics in Medicine & Biology, 45, L1-L4.
[CrossRef] [PubMed]
[11] Galeev, A.L. (2000) The Effects of Microwave Radiation from Mobile Phones on Humans and Animals. Neuroscience and Behavioral Physiology, 30, 187-194.
[CrossRef
[12] Matsumoto, T., Chiba, A., Hayashi, N. and Isaka, K. (1999) Effect of Competing ELF Electric and Magnetic Fields on Induced Current Density in a Near-Ground Biological Model. 11th International Symposium on High-Voltage Engineering, London, 23-27 August 1999, 3.
[CrossRef
[13] Yamazaki, K., Kawamoto, T., Fujinami, H. and Shigemitsu, T. (2001) Investigation of ELF Magnetically Induced Current Inside the Human Body: Development of Estimation Tools and Effect of Conductivity of Organs. Journal of Electrical Engineering, 134, 1-10. (In Japan)
[CrossRef
[14] Gurtovenko, A.A. and Anwar, J. (2007) Modulation of the Structure and Properties of Cell Membranes: Molecular Mechanism of Action of Dimethyl Sulfoxide. Journal of Physical Chemistry B, 111, 10453-10460.
[CrossRef] [PubMed]
[15] Robillard, P.N. and Poussart, D. (1979) Spatial Resolution of an Array of Four Electrodes. IEEE Transactions on Biomedical Engineering, 26, 465-470.
[CrossRef
[16] Jaspard, F., Nadi, M. and Rouane, A. (2003) Dielectric Properties of Blood: An Investigation of Hematocrit Dependence. Physiological Measurement, 24, 137-147.
[CrossRef] [PubMed]
[17] Jossinet, J. (1998) The Impedivity of Freshly Excised Human Breast Tissue. Physiological Measurement, 19, 61-75.
[CrossRef] [PubMed]
[18] Camp, J.T., Jing, Y., Zhuang, J., Kolb, J.F., Beebe, S.J., Song, J., Joshi, R.P., Xiao, S. and Schoenbach, K.H. (2012) Cell Death Induced by Subnanosecond Pulsed Electric Fields at High Temperatures. IEEE Transactions on Plasma Science, 40, 2334-2347.
[CrossRef
[19] Wtorek, J., Bujnowski, A., Poliski, A., Jozefiak, L. and Truyen, B. (2004) A Probe for Immittance Spectroscopy Based on the Parallel Electrode Technique. Physiological Measurement, 25, 1249-1260.
[CrossRef] [PubMed]
[20] Scorretti, R. (2003) Numerical and Experimental Characterization of the LF Magnetic Field Generated by Electrotechnical Systems with a View to Modeling Induced Currents in the Human Body. Doctoral Thesis, Ecole Centrale de Lyon, Lyon.
[21] Nzao, A. (2021) Study and Modeling of Human Biological Tissue Exposed to High Frequency Electromagnetic Waves. Open Journal of Applied Sciences, 11, 1109-1121.
[CrossRef
[22] Moureaux, P. (2018) Exposure to Electromagnetic Fields. INRS.
http://www.rst-sante-travail.fr/rst/dms/dmt/ArticleDMT/PratiquesProfessions/TI-RST-TM-44/tm44.pdf
[23] Conil, E. (2005) Electromagnetics in a Complex Environment: From the Near Field to the Far Field. PhD Thesis, Institut National Polytechnique de Grenoble.
[24] Pozar, D.M. (2012) Microwave Engineering. John Wiley & Sons, Hoboken.
[25] Thery, J. (1991) Microwaves: Industrial, Scientific and Medical Applications. Artech House, Boston.
[26] Nelson, S.O. (1991) Dielectric Properties of Agricultural Products-Measurements and Applications. IEEE Transactions on Electrical Insulation, 26, 845-869.
[CrossRef
[27] Mexatas, A.C. and Meredith, R.J. (1983) Industrial Microwave Heating. Peter Pereginus Ltd., London.
[28] Staebler, P. (2017) Human Exposure to Electromagnetic Fields. Wiley, Hoboken.
[CrossRef
[29] Greenebaum, B. and Barnes, F. (2019) Biological and Medical Aspects of Electromagnetic Fields. CRC Press, Boca Raton.
[CrossRef
[30] INRS (2018) Electromagnetic Waves, Actions and Effects on the Human Body. ED 4350.
[31] Kyle, A.H., Chan, C.T.O. and Minchinton, A.I. (1999) Characterization of Three-Dimensional Tissue Cultures Using Electrical Impedance Spectroscopy. Biophysical Journal, 76, 2640-2648.
[CrossRef
[32] De Ménorval, M.-A., Mir, L.M., Fernández, M.L. and Reigada, R. (2012) Effects of Dimethyl Sulfoxide in Cholesterol-Containing Lipid Membranes: A Comparative Study of Experiments in Silico and with Cells. PLoS ONE, 7, e41733.
[CrossRef] [PubMed]
[33] Haemmerich, D., Staelin, S.T., Tsai, J.Z., Tungjitkusolmun, S., Mahvi, D.M. and Webster, J.G. (2003) In Vivo Electrical Conductivity of Liver Tumors. Physiological Measurement, 24, 251-260.
[CrossRef] [PubMed]
[34] Stuchly, M.A. and Zhao, S. (1996) Magnetic Field-Induced Currents in the Human Body near Power Lines. IEEE Transactions on Power Delivery, 11, 102-109.
[CrossRef
[35] Haddar, D., Haacke, E.M., Sehgal, V., Delproposto, Z., Salamon, G., Seror, O. and Sellier, N. (2004) Magnetic Susceptibility Imaging: Theory and Applications. Journal of Radiology, 85, 1901-1908.
[CrossRef
[36] Yu, Z.-W. and Quinn, P.J. (2000) The Effect of Dimethyl Sulfoxide on the Structure and Phase Behavior of Palmitoleoylphosphatidylethanolamine. Biochimica et Biophysica Acta (BBA)-Biomembranes, 1509, 440-450.
[CrossRef
[37] Rakotomananjara and Randriamitantsoa (2020) Modeling the Mechanisms of Electromagnetic Radiation Interactions with Living Beings.
http://madarevues.recherches.gov.mg/IMG/pdf/art_no11_2020_vol_2_pp_110-127_modelisation_des_mecanismes_des_interactions_des_rayonnements_electromagnetiques_avec_les_et.pdf
[38] T. B. Carlos KONLACK and Roger TCHUIDJAN (2011) Analysis of the Impact of Electromagnetic Waves on Humans, 10 ISSN 1813-548X.
http://www.afriquescience.info

Copyright © 2026 by authors and Scientific Research Publishing Inc.

Creative Commons License

This work and the related PDF file are licensed under a Creative Commons Attribution 4.0 International License.